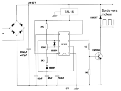
Le schéma suivant est utilisé. Le très populaire NE555, avec les quelques composants qui l’entourent, engendre des signaux rectangulaires sur sa sortie 3. Le potentiomètre permet de régler la longueur des créneaux haut en conservant la période du signal sensiblement constante. On modifie ainsi le rapport de temps des points hauts et des points bas du signal (rapport cyclique variable). Avec un condensateur de 47 nF comme sur le schéma, la fréquence est d’environ 500Hz.

Le signal de sortie polarise un transistor de puissance 2N3055 par un pont de résistance 1k/1,5K. Pour l’usage visé, je n’ai pas placé le 2N3055 sur un radiateur. Les courants des locomotives sont inférieurs à 800 mA (la plus gourmande est une vieille 060DB Hornby) et de plus le transistor, largement dimensionné, travaille uniquement en commutation tout ou rien, il dégage donc peu de calories. La diode roue-libre 1N4007 est par contre impérative pour protéger le transistor des impulsions engendrées par les moteurs.

J’ai réutilisé le transformateur d’origine qui donne, à vide après redressement  par un pont et filtrage par un condensateur, une tension continue de 25 V. Le NE555 ne supporte pas plus de 16V, aussi la partie générant les signaux est alimentée par un petit régulateur de tension 78L15 donnant du 15 V.

J’ai dessiné et gravé un circuit imprimé simple face portant la totalité du circuit. Comme je l’ai déjà indiqué, la technique de gravure est parfaitement au point sans échec. Il est important d’être rigoureux dans les températures des différents bains (20-25 °C pour le révélateur et 45-50 °C pour le persulfate d’ammonium). J’ai baissé à 3 mn l’exposition au UV, cela est bien suffisant. Après quelques essais plutôt infructueux, j’abandonne la gravure de plaques que je sensibilise moi-même en apposant du verni spécial. Toute la difficulté est d’avoir une couche de verni uniforme. J’ai essayé de répartir le verni de manière régulière par centrifugation en plaçant une plaque de circuit dans une boîte ronde mise en rotation par un moteur. Le taux d’échec reste trop grand malgré tout. Je n’utilise plus que les plaques pré-sensibilisées vendues sur le site du Train magique à présent nommé Micro-modèle.

Voici le montage réalisé avant fermeture du boîtier. Beaucoup d’éléments sont des composants de récupération. Le potentiomètre a été acheté. C’est un modèle avec interrupteur en fin de course afin de ne pas laisser le montage sous tension et être certain que le train est arrêté car le créneaux haut existent encore même s’ils sont très courts. Il faut veiller à ne pas permuter l’ordre des extrémités du potentiomètre sous peine d’avoir la mise en route à pleine vitesse lors de la mise sous tension par l’interrupteur. On voit le pont redresseur carré ainsi que le condensateur de 2200µF de filtrage qui ne figurent pas sur le schéma. Le condensateur est un 35V car à vide le transfo donne une tension de 25 V environ.

Le montage trouve juste sa place dans le boîtier. Le transformateur d’origine à enroulement séparés assure une bonne sécurité au niveau isolation.